首页 > 触头盒 > CH3-10Q/150触头盒

CH3-10Q/150触头盒

  • CH3-10Q/150触头盒

  • 产品名称:CH3-10Q/150触头盒
  • 型号:CH3-10Q-150
  • 品牌:上海互凌
  • 座机:021-31263351
  • 企业QQ:919107474
  • 温馨提示:订货时请详细核对产品规格型号,非标产品订购则需提供结构、参数、标准、用处等;若之前有过订购经历,希望能提供接线图、接线方式、原理图及型号等详细参数。
  • 资料请联系互凌
  • 订货方案:
  • 1、提供接线方案图编号、用途和单线系统图、额定电压、额定电流等
  • 2、开关柜控制、测量及保护功能以及其他闭锁和自动装置的要求
  • 3、开关柜使用在特殊环境条件时,应在订货时详细说明
  • 4、需要其它或超出附件、备件时应提出种类和数量
产品详情

概述

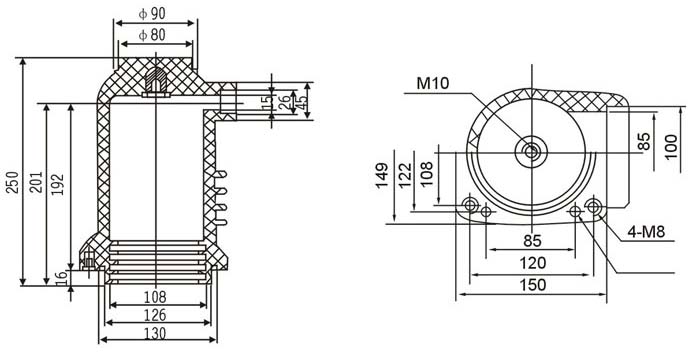
触头盒为环氧树脂APG工艺压力凝胶成型结构,用于各种手车式开关柜,起绝缘隔离和联接过渡作用。

型号及其含义

使用条件

1.海拔高度不超过1000M;

2.周围气温+40℃~10℃;

3.当空气温度+20℃时,相对湿度布超过95%;

4.无严重影响触头盒绝缘的气体、蒸汽、灰尘及其它爆炸性和腐蚀介质的场所。

技术数据与要求

1.触头盒同触头对地应能耐受工频实验电压(有效性)42KV,历时5分钟,雷电冲击(峰值)75KV;

2.触头盒在额定电流下,长期工作下出线端部温升不超过65℃;

3.触头盒外形及安装尺寸见附图。


  • 产品名称:
  • CH3-10Q/150触头盒


  • 型号:
  • CH3-10Q-150

上海互凌电气有限公司是一家具有多年成套配件生产历史,集开发、生产、销售为一体的综合型企业。产品丰富多样以满足客户提出的特殊要求,关注客户的应用细节以提高产品的现场使用寿命,是国家真空断路器、负荷开关及隔离开关的主要生产厂家之一。提供产品的型号、接线图、原理、作用、价格、参数,欢迎来电咨询订购。
地址:http://www.cnhoot.com/CH3-10Q-150-199.html
相关产品
上海互凌电气有限公司
上海互凌电气有限公司 - www.cnhoot.com Copyright 2010-2014 © 隐私保护 版权所有
主营产品:

高压开关柜

真空断路器

高压负荷开关

高压隔离开关

六氟化硫断路器

接地开关

网站地图