首页 > 高压隔离开关 > GN22-12隔离开关

GN22-12隔离开关

  • GN22-12隔离开关

  • 产品名称:GN22-12隔离开关
  • 型号:GN22-12
  • 品牌:上海互凌
  • 座机:021-31263351
  • 企业QQ:919107474
  • 温馨提示:订货时请详细核对产品规格型号,非标产品订购则需提供结构、参数、标准、用处等;若之前有过订购经历,希望能提供接线图、接线方式、原理图及型号等详细参数。
  • 资料请联系互凌
  • 订货方案:
  • 1、提供接线方案图编号、用途和单线系统图、额定电压、额定电流等
  • 2、开关柜控制、测量及保护功能以及其他闭锁和自动装置的要求
  • 3、开关柜使用在特殊环境条件时,应在订货时详细说明
  • 4、需要其它或超出附件、备件时应提出种类和数量
产品详情

概述

GN22-12(C)大电流产内高压隔离开关,适用于额定电压10KV,三相交流50HZ,电力系统中高压开关设备作为有电压无负载的情况下分合电路之用。开关结构设计新颖、合理、独具一格。它采用了两步动作的锁紧方式,使开关动热稳定性能优异,操作力小。它采用了环氧树脂和绝缘子及刷镀银等新材料新工艺,使开关导电性能好,体积小,质量轻。它的出线端子便于与真空断路器、油断路器连接,可缩小开关柜体积,减少过渡接头,降低成本。

主要技术参数

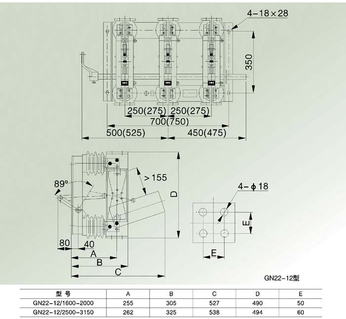
GN22-12外形及安装尺寸

GN22-12C外形及安装尺寸


  • 产品名称:
  • GN22-12隔离开关


  • 型号:
  • GN22-12

上海互凌电气有限公司是一家具有多年成套配件生产历史,集开发、生产、销售为一体的综合型企业。产品丰富多样以满足客户提出的特殊要求,关注客户的应用细节以提高产品的现场使用寿命,是国家真空断路器、负荷开关及隔离开关的主要生产厂家之一。提供产品的型号、接线图、原理、作用、价格、参数,欢迎来电咨询订购。
地址:http://www.cnhoot.com/GN22-12-98.html
相关产品
上海互凌电气有限公司
上海互凌电气有限公司 - www.cnhoot.com Copyright 2010-2014 © 隐私保护 版权所有
主营产品:

高压开关柜

真空断路器

高压负荷开关

高压隔离开关

六氟化硫断路器

接地开关

网站地图